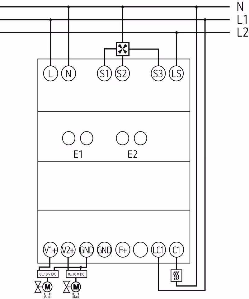
Fan coil actuator, 4 TE, controls fan coils with up to 3 fan speeds, optionally with 0-10 V output (8 A) and the heating or cooling valve (triacs). 2-pipe and 4-pipe systems are supported. Proportional 0-10 V valves can be controlled. An additional relay (16 A) allows control of either an electric heating register or an electric cooling register.
Atsisiųsti daugiau informacijos
Duomenų lapas:
Peržiūrėti





